全国24小时咨询热线

15715367766

首页 > 公司荣誉
公司荣誉
GLORIES Glories
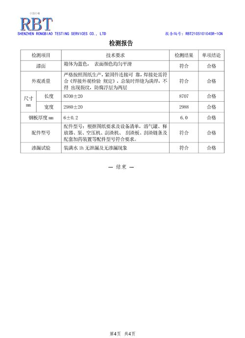
一体化污水处理设备检验报告

一体化污水处理设备检验报告


人气:  发布时间:2021-07-23

欢迎拨打24小时订购咨询热线:

一体化污水处理设备检验报告(图1)

一体化污水处理设备检验报告(图2)

一体化污水处理设备检验报告(图3)

查看所有相关产品

查看所有相关案例